Instantly visualize your facilities, streamline asset management, and ensure compliance with intuitive, interactive schematics.

AbaData Facility Schematics offers powerful visualization tools that simplify asset management, regulatory compliance, and operational efficiency. Clearly display equipment statuses, operational data, and compliance information on intuitive, interactive diagrams—accessible instantly on desktop or mobile devices. Integrated seamlessly with AbaData’s GIS and Field Ops, Facility Schematics helps your teams reduce downtime, improve safety, and confidently manage facilities from anywhere.




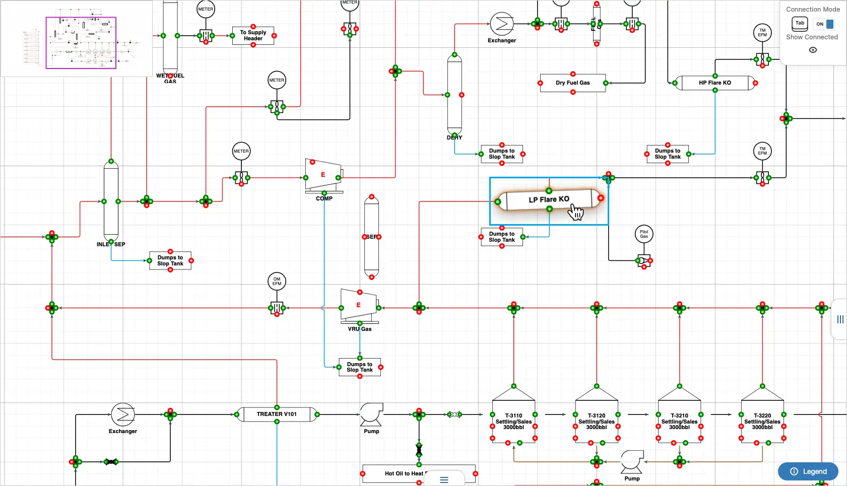
AbaData Facility Schematics turns complex infrastructure into intuitive, interactive visuals that help teams work faster, smarter, and with greater confidence. From real-time equipment status to integrated compliance tracking, here’s how our platform helps you take control of every facility, at every level.
Detailed, interactive diagrams visualize equipment layouts, flows, and processes intuitively.
Quickly understand facility conditions, enabling faster decisions and reducing errors.
Instantly monitor asset status, operational alerts, and changes directly on facility diagrams.
Faster issue detection, reduced downtime, and increased operational responsiveness.
Access comprehensive equipment data, including inspection histories, maintenance logs, and asset-specific documentation.
Improve maintenance efficiency and decision-making with full equipment context at a glance.
Digitize inspections and compliance records directly within schematic visuals.
Simplified audits, improved regulatory compliance, and reduced paperwork.
Fully optimized for mobile and desktop devices, providing real-time schematic access in the field.
Enhanced productivity, immediate data updates, and seamless field-to-office coordination.
Integrates seamlessly with AbaData’s GIS mapping and Field Ops solutions.
Unified data management, reduced redundancy, and greater operational transparency.
Schedule your personalized demo and see how AbaData Facility Schematics transforms complexity into clear, actionable insights.